FRM0205
FXH
90×1830 cm / 120×1830 cm
1600gsm
Black
Corrugated Ribbed (Straight Stripe)
non-slip flat texture
1000㎡
| Availability: | |
|---|---|
The Corrugated Vinyl Runner Mat is a premium PVC flooring solution designed to enhance safety and durability in high-traffic areas. Featuring a straight stripe ribbed surface, it provides excellent slip resistance, traps dirt and debris, and protects floors from damage. With heavy-duty construction and easy maintenance, it is ideal for factories, warehouses, corridors, ramps, and entryways.
Made from heavy-duty PVC, the Corrugated Vinyl Runner Mat provides long-lasting durability and resistance to wear, cracking, and curling. Its industrial-grade construction performs well in factories, warehouses, and corridors, offering a reliable flooring solution for high-traffic use.
The straight-rib corrugated design offers excellent traction and helps prevent slips. It channels away water, mud, and debris, keeping surfaces clean and secure—ideal for ramps, walkways, and work areas.
This vinyl runner mat effectively traps dirt, moisture, and dust from shoes or equipment. Its non-slip ribbed surface enhances workplace safety and reduces cleaning needs in industrial and commercial environments.
The Corrugated Vinyl Runner Mat is waterproof, UV-resistant, and suitable for indoor or outdoor use. Its smooth PVC surface makes cleaning quick and simple—just sweep or rinse as needed.
Supplied in roll form, this corrugated vinyl flooring is easy to cut, install, and maintain. It adapts to different floor types and spaces, providing a cost-effective and practical matting solution.
Durable PVC Material
Corrugated Ribbed Surface for Safety
Non-Slip & Dirt-Resistant
Flexible Roll Design
| Item | Details |
|---|---|
| Material | PVC |
| Sizes | 90 × 1830 cm / 120 × 1830 cm |
| Weight | 1600 gsm |
| Colors | Black |
| Surface | Corrugated Ribbed (Straight Stripe) |
| MOQ | 1000 m² per order |
| Packaging | Rolls, export-ready bulk packaging |
The Corrugated Vinyl Runner Mat is ideal for factory aisles and production areas, offering a safe, non-slip surface that prevents accidents and minimizes fatigue. Its durable PVC construction withstands heavy foot traffic, machinery movement, and chemical exposure.
In warehouses and loading zones, this ribbed vinyl flooring provides reliable traction for workers and equipment. The corrugated ribs help trap dust, oil, and debris, maintaining a cleaner and safer workspace environment.
Perfect for building entrances, corridors, and public passageways, the vinyl runner mat effectively scrapes dirt and moisture from shoes, reducing indoor maintenance costs and protecting underlying floors.
The Corrugated Vinyl Runner Mat enhances safety on ramps and slopes by preventing slips in wet or oily conditions. Its flexible roll design ensures a snug fit on uneven surfaces, improving stability and comfort for users.
Designed for heavy-duty performance, this PVC corrugated runner works perfectly in garages, repair shops, and inside tool cabinets. It resists stains, oil, and grease, offering a clean, protective, and easy-to-maintain surface that keeps tools and work areas organized and safe.
Factory Walkways
Warehouses
Commercial Entrances
Tool Cabinets
FXH is a leading manufacturer specializing in PVC flooring and vinyl runner mats. With advanced production facilities and over 15 years of industry experience, we ensure every Corrugated Vinyl Runner Mat meets international quality and safety standards.
Each mat roll is tested for thickness, weight, and slip resistance before delivery. FXH follows ISO-certified processes to guarantee product consistency and durability, making our corrugated vinyl flooring trusted by distributors and industrial clients worldwide.
We provide flexible customization, including width, thickness, color, and logo options. Whether for bulk wholesale or OEM projects, FXH delivers PVC ribbed runner mats tailored to your business requirements.
As a direct factory, we offer cost-effective pricing without middlemen. Our efficient production lines allow large-volume manufacturing while maintaining stable supply and fast lead times for global partners.
FXH exports to more than 30 countries across North America, Europe, the Middle East, and Asia. With export-ready packaging and professional logistics support, your Corrugated Vinyl Runner Mats arrive safely and on schedule.
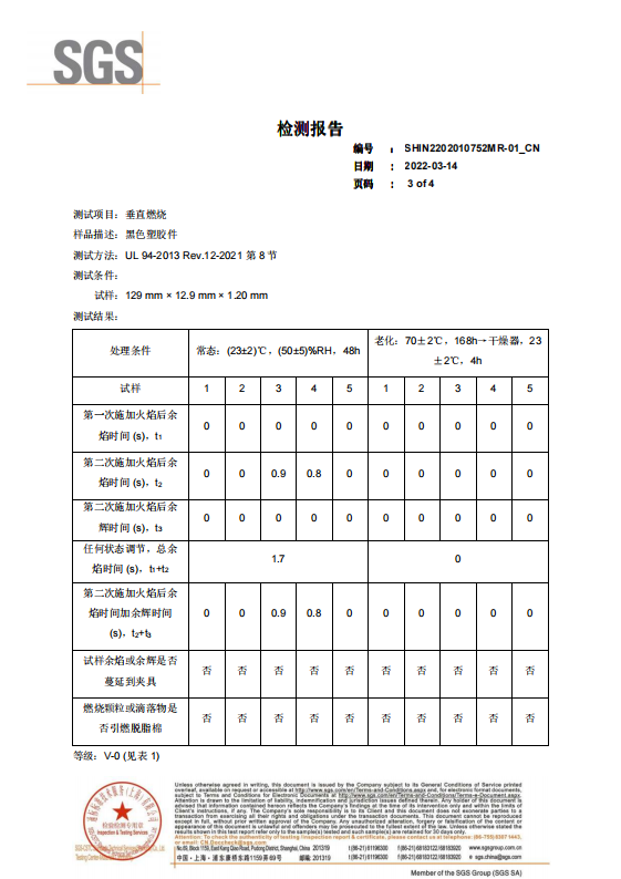
The Corrugated Vinyl Runner Mat has successfully passed flame retardant testing according to ASTM D2859 / UL94 standards.
It achieves a V-0 flame retardant rating, indicating that the material self-extinguishes quickly and does not spread flames after ignition.
This ensures excellent fire safety performance for use in industrial, commercial, and public environments.
(Detailed V-0 test report and certificate are shown below.)
Our Corrugated Vinyl Runner Mat is made from 100% premium PVC, offering excellent durability, flexibility, and resistance to moisture, oils, and chemicals. It’s ideal for industrial and commercial use.
Yes. FXH provides custom sizes, thicknesses, and colors to meet your project or branding needs. OEM and ODM services are also available for bulk orders.
Absolutely. The Corrugated Vinyl Runner Mat is weatherproof and UV-resistant, making it perfect for both indoor and outdoor environments such as ramps, entrances, and loading zones.
Simply sweep, vacuum, or rinse the mat with water. The smooth PVC surface and ribbed pattern make it easy to clean and maintain, even in high-traffic industrial settings.
The standard MOQ is 1000 m² per order. FXH offers flexible order quantities and supports bulk supply for distributors, resellers, and flooring contractors worldwide.
The Corrugated Vinyl Runner Mat is a premium PVC flooring solution designed to enhance safety and durability in high-traffic areas. Featuring a straight stripe ribbed surface, it provides excellent slip resistance, traps dirt and debris, and protects floors from damage. With heavy-duty construction and easy maintenance, it is ideal for factories, warehouses, corridors, ramps, and entryways.
Made from heavy-duty PVC, the Corrugated Vinyl Runner Mat provides long-lasting durability and resistance to wear, cracking, and curling. Its industrial-grade construction performs well in factories, warehouses, and corridors, offering a reliable flooring solution for high-traffic use.
The straight-rib corrugated design offers excellent traction and helps prevent slips. It channels away water, mud, and debris, keeping surfaces clean and secure—ideal for ramps, walkways, and work areas.
This vinyl runner mat effectively traps dirt, moisture, and dust from shoes or equipment. Its non-slip ribbed surface enhances workplace safety and reduces cleaning needs in industrial and commercial environments.
The Corrugated Vinyl Runner Mat is waterproof, UV-resistant, and suitable for indoor or outdoor use. Its smooth PVC surface makes cleaning quick and simple—just sweep or rinse as needed.
Supplied in roll form, this corrugated vinyl flooring is easy to cut, install, and maintain. It adapts to different floor types and spaces, providing a cost-effective and practical matting solution.
Durable PVC Material
Corrugated Ribbed Surface for Safety
Non-Slip & Dirt-Resistant
Flexible Roll Design
| Item | Details |
|---|---|
| Material | PVC |
| Sizes | 90 × 1830 cm / 120 × 1830 cm |
| Weight | 1600 gsm |
| Colors | Black |
| Surface | Corrugated Ribbed (Straight Stripe) |
| MOQ | 1000 m² per order |
| Packaging | Rolls, export-ready bulk packaging |
The Corrugated Vinyl Runner Mat is ideal for factory aisles and production areas, offering a safe, non-slip surface that prevents accidents and minimizes fatigue. Its durable PVC construction withstands heavy foot traffic, machinery movement, and chemical exposure.
In warehouses and loading zones, this ribbed vinyl flooring provides reliable traction for workers and equipment. The corrugated ribs help trap dust, oil, and debris, maintaining a cleaner and safer workspace environment.
Perfect for building entrances, corridors, and public passageways, the vinyl runner mat effectively scrapes dirt and moisture from shoes, reducing indoor maintenance costs and protecting underlying floors.
The Corrugated Vinyl Runner Mat enhances safety on ramps and slopes by preventing slips in wet or oily conditions. Its flexible roll design ensures a snug fit on uneven surfaces, improving stability and comfort for users.
Designed for heavy-duty performance, this PVC corrugated runner works perfectly in garages, repair shops, and inside tool cabinets. It resists stains, oil, and grease, offering a clean, protective, and easy-to-maintain surface that keeps tools and work areas organized and safe.
Factory Walkways
Warehouses
Commercial Entrances
Tool Cabinets
FXH is a leading manufacturer specializing in PVC flooring and vinyl runner mats. With advanced production facilities and over 15 years of industry experience, we ensure every Corrugated Vinyl Runner Mat meets international quality and safety standards.
Each mat roll is tested for thickness, weight, and slip resistance before delivery. FXH follows ISO-certified processes to guarantee product consistency and durability, making our corrugated vinyl flooring trusted by distributors and industrial clients worldwide.
We provide flexible customization, including width, thickness, color, and logo options. Whether for bulk wholesale or OEM projects, FXH delivers PVC ribbed runner mats tailored to your business requirements.
As a direct factory, we offer cost-effective pricing without middlemen. Our efficient production lines allow large-volume manufacturing while maintaining stable supply and fast lead times for global partners.
FXH exports to more than 30 countries across North America, Europe, the Middle East, and Asia. With export-ready packaging and professional logistics support, your Corrugated Vinyl Runner Mats arrive safely and on schedule.
The Corrugated Vinyl Runner Mat has successfully passed flame retardant testing according to ASTM D2859 / UL94 standards.
It achieves a V-0 flame retardant rating, indicating that the material self-extinguishes quickly and does not spread flames after ignition.
This ensures excellent fire safety performance for use in industrial, commercial, and public environments.
(Detailed V-0 test report and certificate are shown below.)
Our Corrugated Vinyl Runner Mat is made from 100% premium PVC, offering excellent durability, flexibility, and resistance to moisture, oils, and chemicals. It’s ideal for industrial and commercial use.
Yes. FXH provides custom sizes, thicknesses, and colors to meet your project or branding needs. OEM and ODM services are also available for bulk orders.
Absolutely. The Corrugated Vinyl Runner Mat is weatherproof and UV-resistant, making it perfect for both indoor and outdoor environments such as ramps, entrances, and loading zones.
Simply sweep, vacuum, or rinse the mat with water. The smooth PVC surface and ribbed pattern make it easy to clean and maintain, even in high-traffic industrial settings.
The standard MOQ is 1000 m² per order. FXH offers flexible order quantities and supports bulk supply for distributors, resellers, and flooring contractors worldwide.
content is empty!